业务咨询 400-1830-666
售后服务 0550-2386880
导航
安装设计用户解答行业标准技术专题
当前位置:首页 >> 技术支持 >> 技术专题
四种电伴热带系统防爆电气控制形式
日期:2014-06-10 浏览次数:5147

    电伴热带防爆控制箱主要用于伴热保温系统的检测和操控,方便了系统的日常操作管理,对于电伴热带防爆控制箱控制形式和使用选择,只有技术人员才能弄得懂。今天带大家来了解它的四种电伴热带系统控制形式,方便用户在选择使用电伴热带时,如何配用总控制系统,来实现整套电伴热带系统安全和正常运行。
    电伴热带防爆控制箱具有电气的防爆性能,能够满足危险区域的正常使用,适用于各种电伴热系统。它的控制形式主要分为4种,主要是根据它的控制回路来划分为:A、B、C、D型。
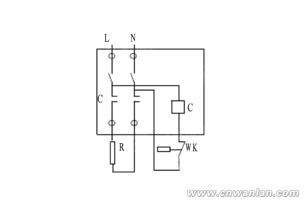
    1、A型电气控制,1~4个控制回路,防爆和防护等级DIIBT4、IP54;

 

电伴热带A型电气控制图


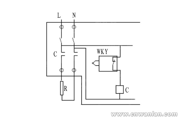
    2、B型电气控制,1~4个控制回路,控制温度范围0℃~120℃和50~320℃,防爆和防护等级DIIBT4、IP54;
 

电伴热带B型电气控制图

 

    3、C型电气控制,数字显示功能,1个控制回路,控制温度范围0℃~400℃,防爆和防护等级DIIBT4、IP54;

 

电伴热带C型电气控制图


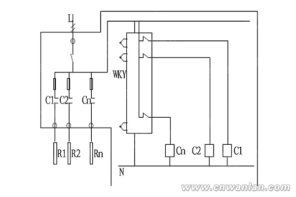
    4、D型电气控制,多点多回路的集中温度控制,数字显示功能,1~8个控制回路,控制温度范围0℃~400℃(可定制),防爆和防护等级DIIBT4、IP54;

 

电伴热带D型电气控制图


    通过以上的文字说明和电路图的描绘,结合安装电伴热带的回路数量,用户可以很方便的选择电伴热带系统的防爆控制箱,以配置电伴热带系统的合理性,优化其使用效率。


相关信息:电伴热带防爆控制箱

上一篇:安装好的电伴热带,让用户拆换管道犯难

Copyright © 2024 英国上市公司官网365(集团·认证平台)Platinum China 34118102000484号

皖ICP备14001022号-1 XML

返回顶部